The wireframe creation has been completely renewed and is now closer to CAD systems' standard drawing workflow. GIFs have been added for easy use and can be visualized by pointing your cursor on the command!

▶️

请阅读下面的说明,并注意您也可以 观看教程视频 并在页面底部练习。

介绍

线架菜单分为 5 个子菜单:

创建

大部分绘图是通过此子菜单中的命令完成的。

精加工

草图绘制完成后,您可以执行精加工操作,例如添加圆角、倒角等。

标准孔、用户孔 (HMF) 和孔编辑器。

锥度

创建锥度形状,用于“锥度切割”加工循环。

导入清理

导入 2D CAD 文件 (DXF, DWG…) 时有用的命令

原理

线架设计的原理是绘制线架几何图形,然后描绘轮廓,例如工程图。您可以将此方法与预定义形状(矩形、键形、孔)的创建结合使用。最后,使用精加工设计命令,如圆角、倒角、连接等。

为了快速轻松地完成绘图,我们建议您 逐个形状设计几何图形 .

例如,如果您想绘制多个型腔和轮廓,请为其中一个型腔创建无边界几何图形,然后描绘最终轮廓,然后开始绘制第二个型腔,依此类推。

最终绘图设计

如果您一次性创建所有无边界几何图形,将很难描绘最终轮廓。右侧是相当简单的绘图的无边界几何图形示例。

屏幕上的无边界元素显然太多了!

在这里,我们向您展示了逐个描绘形状的相同绘图。

完成绘图要容易得多,也更清晰。

另一个建议是 使用不同的颜色创建形状,就像我们在前面的示例中所做的那样。

这将使您能够按颜色对几何图形进行排序或隐藏,从而使加工选择更加容易。

Another solution is to design with different layers. For more details on layers, 点击此处 .

命令通用用法

命令可在 子菜单的左侧工具栏 .

在此我们将展示圆命令。

通过单击要绘制的特征,您必须从多种构造模式中进行选择。

然后,您必须分配创建点,然后单击背景或输入坐标进行确认(在下一页中解释)。

然后,您可以设置正确的特征参数以完成设计并单击“验证”。


坐标系


在 6.09 版本中,绘图命令已不存在。您可以使用坐标系来创建绘图:

然后,您可以手动输入 X,Y 值。无需单击键盘上的“Enter”按钮。您可以使用 TAB 键 轻松地在字段之间切换。单击图标 [1] to create the point(s).

By clicking icon [2] , you can set your coordinates and the grid step.

We can define the Z altitude [3] using the two methods:

1 - 类型 字段中的值。

2 - 使用 吸管 [4] to pick the altitude.

您可以在右侧观看有关 Z 高度设计视频:

Creation of entities at different Z-20240814-104820.png

关闭:锁定字段中输入的值。

打开:字段值或所选现有点的值。

选择高度。

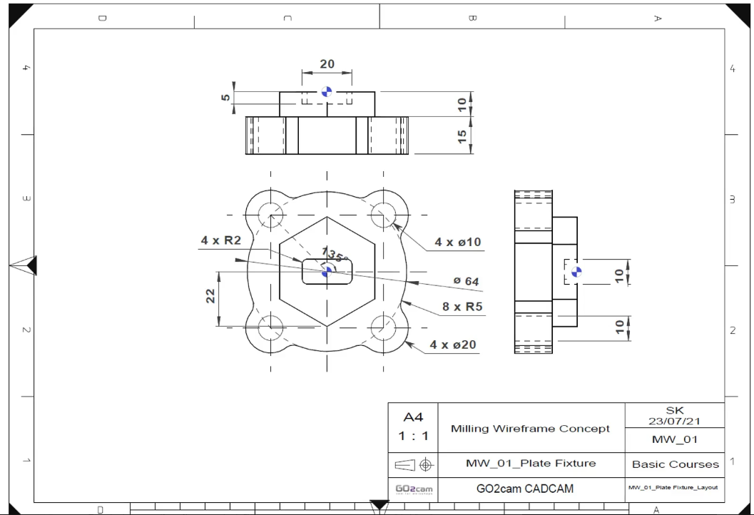
轮到你了!

下面是我们即将设计的 2 个工件的布局图。您可以观看视频了解如何设计工件,也可以尝试自己设计。

板夹具

此视频介绍了以下内容的创建:

圆、线、绘图、多边形、矩形、圆角。

Plate Fixture Wireframe.png

框架

此视频介绍了以下内容的创建:

矩形、线段、圆角、标准孔、修剪或延伸、平行轮廓、倒角。

Framework Wireframe.png