The wireframe creation has been completely renewed and is now closer to CAD systems' standard drawing workflow. GIFs have been added for easy use and can be visualized by pointing your cursor on the command!

▶️

Bitte lesen Sie die untenstehende Erklärung und beachten Sie auch, dass Sie Tutorial-Videos ansehen und am Ende der Seite üben können.

Präsentation

Das Drahtmodell-Menü ist in 5 Untermenüs unterteilt:

Erstellung

Der Großteil der Konstruktion erfolgt dank der Befehle dieses Untermenüs.

Schlichten

Sobald die Skizze entworfen ist, können Sie die Schlichtungsaktionen durchführen, wie z. B. das Hinzufügen von Verrundungen, Fasen usw.

Bohrungen

Standardbohrungen, Anwenderbohrungen (HMF) und Bohrungseditor.

Konisch

Erstellung einer konischen Form, die mit dem Bearbeitungszyklus 'Konikfräsen' verwendet wird.

Import Reinigung

Befehle, die beim Importieren von 2D-CAD-Dateien (DXF, DWG...) nützlich sind.

Prinzip

Das Prinzip der Drahtmodell-Konstruktion besteht darin, die Drahtmodell-Geometrie zu skizzieren und dann die Konturen wie in einer technischen Zeichnung nachzuzeichnen. Sie können diese Methode mit der Erstellung vordefinierter Formen (Rechtecke, Langlöcher, Bohrungen) kombinieren. Verwenden Sie schließlich die Konstruktionsbefehle für die Nachbearbeitung, wie Verrundungen, Fasen, Verbindungen usw.

Um Ihre Konstruktion schnell und einfach zu erstellen, empfehlen wir Ihnen, Geometrie Form für Form konstruieren .

Wenn Sie beispielsweise mehrere Taschen und Konturen zeichnen möchten, erstellen Sie für eine Tasche eine unbegrenzte Geometrie, zeichnen Sie dann die endgültige Kontur nach, und beginnen Sie dann mit dem Zeichnen der zweiten Tasche usw.

Endgültige Konstruktion

Wenn Sie alle unbegrenzten Geometrien auf einmal erstellen, ist es schwierig, die endgültigen Konturen nachzuzeichnen. Auf der rechten Seite sehen Sie ein Beispiel für eine unbegrenzte Geometrie für eine ziemlich einfache Zeichnung.

Es gibt offensichtlich zu viele unbegrenzte Elemente auf dem Bildschirm!

Hier zeigen wir Ihnen dieselbe Zeichnung mit den nacheinander nachgezeichneten Formen.

Es ist viel einfacher und übersichtlicher, die Zeichnung fertigzustellen.

Ein weiterer Rat ist, Erstellen Sie die Formen mit unterschiedlichen Farben, wie wir es im vorherigen Beispiel getan haben.

Dies ermöglicht es Ihnen, die Geometrie nach Farbe zu sortieren oder auszublenden, was die Auswahl der Bearbeitungen erheblich erleichtert.

Another solution is to design with different layers. For more details on layers, klicken Sie hier .

Allgemeine Verwendung von Befehlen

Die Befehle sind in der linke Werkzeugleiste der Untermenüs .

Hier zeigen wir Ihnen den Befehl Kreis.

Durch Klicken auf das zu zeichnende Merkmal müssen Sie aus den zahlreichen Konstruktionsmodi auswählen.

Sie müssen dann die Erstellungspunkte zuweisen und auf den Hintergrund klicken oder Koordinaten eingeben, um zu bestätigen (wird auf der nächsten Seite erklärt).

Sie können dann die richtigen Merkmals-Parameter einstellen, um die Konstruktion abzuschließen und auf Bestätigen zu klicken.


Koordinatensystem


Der Befehl Skizzieren existiert in der Version 6.09 nicht mehr. Sie können das Koordinatensystem verwenden, um die Zeichnungen zu erstellen:

Sie können dann die Werte manuell in die X,Y Werte eingeben. Sie müssen nicht die Eingabetaste auf Ihrer Tastatur drücken. Sie können leicht von einem Feld zum anderen wechseln, indem Sie die TAB-Taste verwenden. Klicken Sie auf das Symbol [1] to create the point(s).

By clicking icon [2] , you can set your coordinates and the grid step.

We can define the Z altitude [3] using the two methods:

1 - Typ den Wert manuell in das Feld ein.

2 - Verwenden Sie die Pipette [4] to pick the altitude.

Sie können ein Video zur Konstruktion in Z-Höhe rechts ansehen:

Creation of entities at different Z-20240814-104820.png

geschlossen: sperrt den Wert im Feld.

Offen: Wert des Feldes oder Wert des ausgewählten vorhandenen Punktes.

Wählen Sie die Höhe aus.

Sie sind dran!

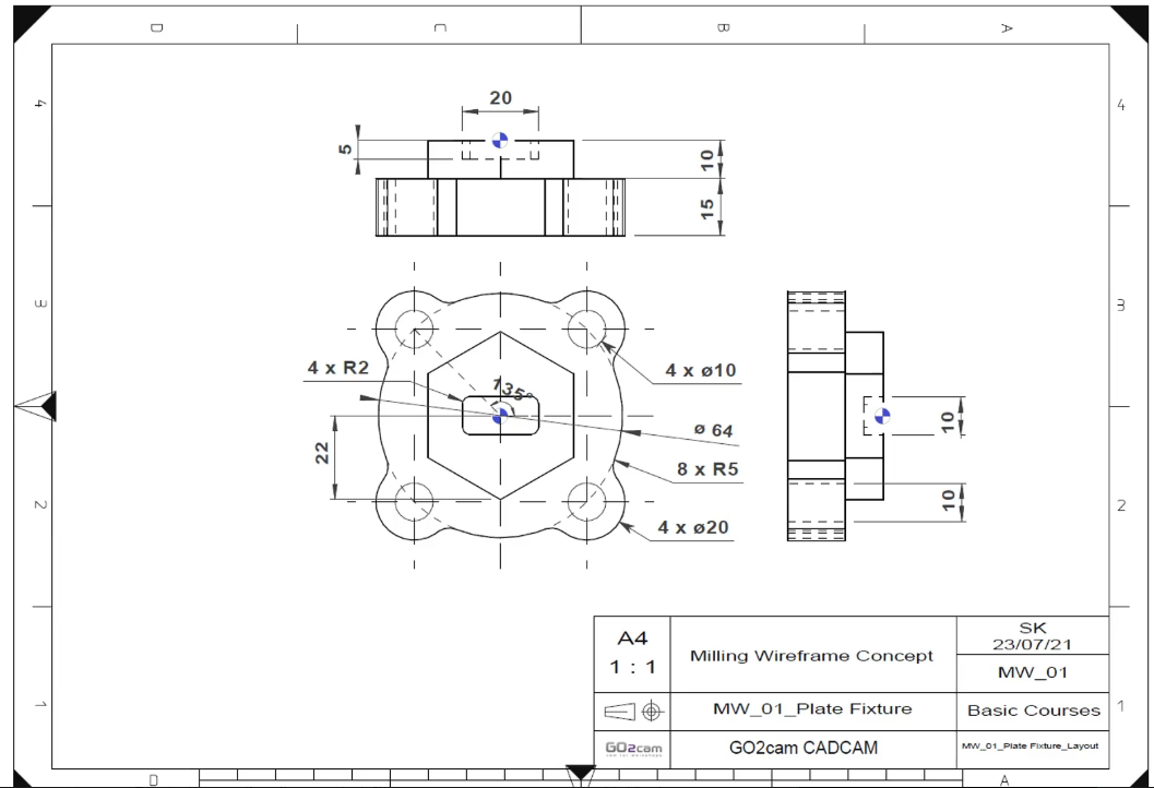
Unten sehen Sie die Layout-Diagramme von 2 Werkstücken, die wir konstruieren werden. Sie können entweder die Videos ansehen, um zu sehen, wie die Werkstücke konstruiert werden, oder Sie können versuchen, sie selbst zu konstruieren.

Plattenhalterung

Dieses Video zeigt die Erstellung von:

Kreis, Linie, Zeichnung, Polygon, Rechteck, Verrundung.

Plate Fixture Wireframe.png

Rahmenwerk

Dieses Video zeigt die Erstellung von:

Rechteck, Segment, Verrundung, Standardbohrungen, Beschneiden oder Erweitern, Paralleles Profil, Fase.

Framework Wireframe.png