The wireframe creation has been completely renewed and is now closer to CAD systems' standard drawing workflow. GIFs have been added for easy use and can be visualized by pointing your cursor on the command!

▶️

Lütfen aşağıdaki açıklamayı okuyun ve ayrıca eğitim videolarını izleyebileceğinizi ve sayfanın altından pratik yapabileceğinizi unutmayın.

Sunum

Tel Kafes menüsü 5 alt menüye ayrılmıştır:

Oluşturma

taslağın çoğu bu alt menünün komutları sayesinde yapılır.

Bitirme

eskiz tasarlandıktan sonra, radyüsler, pahlar vb. eklemek gibi bitirme işlemleri yapabilirsiniz.

Delikler

standart delikler, kullanıcı delikleri (HMF) ve delik editörü.

Konik

'Konik Kesme' işleme çevrimi ile kullanılacak konik şeklin oluşturulması.

İçe Aktarma Temizleme

2D CAD dosyaları (DXF, DWG…) içe aktarırken kullanışlı komutlar

Prensip

Tel kafes tasarımının prensibi, tel kafes geometrisini çizmek ve ardından teknik çizim gibi kontürleri izlemektir. Bu yöntemi önceden tanımlanmış şekillerin (dikdörtgenler, slotlar, delikler) oluşturulmasıyla karıştırabilirsiniz. Son olarak, radyüsler, pahlar, birleştirmeler vb. gibi bitirme tasarım komutlarını kullanın.

Taslağınızı hızlı ve kolay bir şekilde oluşturmak için size şunu öneririz: geometriyi şekil şekil tasarlayın .

Örneğin, birden fazla cep ve kontür çizmek istiyorsanız, bir cep için sınırsız geometri oluşturun, ardından son kontürü izleyin, ardından ikinci cebi çizmeye başlayın vb.

Tasarlanacak nihai taslak

Tüm sınırsız geometriyi aynı anda oluşturursanız, son kontürleri izlemek zor olacaktır. Sağ tarafta, oldukça basit bir çizim için sınırsız geometri örneğini görebilirsiniz.

Ekranda bariz bir şekilde çok fazla sınırsız eleman var!

Burada, aynı çizimi şekiller tek tek izlenerek gösteriyoruz.

Çizimi bitirmek çok daha kolay ve nettir.

Başka bir tavsiye şudur: şekilleri önceki örnekte yaptığımız gibi farklı renklerle oluşturun.

Geometriyi renge göre sıralamanıza veya gizlemenize olanak tanır ve bu, işleme seçimini çok daha kolay hale getirir.

Another solution is to design with different layers. For more details on layers, buraya tıklayın .

Komutların Genel Kullanımı

Komutlar şurada mevcuttur: alt menülerin sol araç çubuğu .

Burada daire komutu hakkında bilgi vereceğiz.

Çizilecek özelliği tıklayarak, çok sayıda inşaat modundan seçim yapmanız gerekir.

Ardından oluşturma noktalarını atamanız ve onaylamak için arka plana tıklamanız veya koordinatları girmeniz gerekir (bir sonraki sayfada açıklanmıştır).

Ardından tasarımı tamamlamak için doğru özellik parametrelerini ayarlayabilir ve Doğrula'ya tıklayabilirsiniz.


Koordinat Sistemi


Taslak komutu 6.09 sürümünde artık mevcut değildir. Çizimleri oluşturmak için koordinat sistemini kullanabilirsiniz:

Ardından değerleri manuel olarak girebilirsiniz X,Y değerler. Klavye üzerindeki Enter düğmesine tıklamanıza gerek yoktur. TAB tuşunu kullanarak bir alandan diğerine kolayca geçiş yapabilirsiniz. TAB tuşu . simgesine tıklayın [1] to create the point(s).

By clicking icon [2] , you can set your coordinates and the grid step.

We can define the Z altitude [3] using the two methods:

1 - Tip alanına manuel olarak değeri girin.

2 - Kullanın damlalık [4] to pick the altitude.

Sağdaki Z yüksekliğinde Tasarım hakkında bir video izleyebilirsiniz:

Creation of entities at different Z-20240814-104820.png

kapalı: alana girilen değeri kilitler.

Açık: alanın değeri veya seçilen mevcut noktanın değeri.

Yüksekliği seçin.

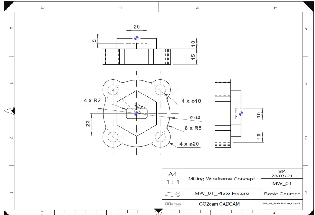
Sıra Sende!

Aşağıda tasarlayacağımız 2 iş parçası için yerleşim diyagramları bulunmaktadır. İş parçalarını nasıl tasarlayacağınızı görmek için videoları izleyebilir veya kendi başınıza tasarlamayı deneyebilirsiniz.

Plaka Fikstürü

Bu video şunların oluşturulmasını tanıtmaktadır:

daire, çizgi, çizim, çokgen, dikdörtgen, radyüs.

Plate Fixture Wireframe.png

Çerçeve

Bu video şunların oluşturulmasını tanıtmaktadır:

dikdörtgen, bölüm, radyüs, standart delikler, kırp veya uzat, paralel profil, pah.

Framework Wireframe.png