The wireframe creation has been completely renewed and is now closer to CAD systems' standard drawing workflow. GIFs have been added for easy use and can be visualized by pointing your cursor on the command!

▶️

Lisez l'explication ci dessous et notez que vous pouvez aussi regarder des tutoriels vidéo et vous entraîner en bas de page.

Présentation

Le menu Filaire est divisé en 5 sous menus :

Création

la plupart du dessin est réalisé grâce aux commandes de ce sous menu.

Finition

une fois le dessin réalisé, vous pouvez effectuer les finitions comme les congés, chanfreins, etc.

Trous

trous standards, trous utilisateurs (HMF) et éditeur de trous.

Dépouille

création de forme de dépouille à utiliser avec le cycle d'usinage 'Dépouille' (Taper Cutting).

Import Nettoyage

commandes utiles lors de l'import de fichiers CAO 2D (DXF, DWG…)

Principe

Le principe de la conception filaire est de dessiner la géométrie filaire puis de tracer les contours, comme un dessin technique. Vous pouvez mélanger cette méthode avec la création de formes prédéfinies (rectangles, oblongs, trous). Enfin, utilisez les commandes de conception de finition, comme les congés, chanfreins, raccords etc.

Pour réaliser votre dessin rapidement et facilement, nous vous suggérons de dessiner la géométrie forme par forme .

Par exemple, si vous voulez dessiner plusieurs poches et contours, créez une géométrie illimitée pour une poche, puis tracez le contour final, puis commencez à dessiner la deuxième poche, etc.

Dessin final à concevoir

Si vous créez toute la géométrie illimitée d'un coup, il sera difficile de tracer les contours finaux. Sur la droite, vous pouvez voir un exemple de géométrie illimitée pour un dessin assez simple.

Il y a évidemment trop d'éléments illimités à l'écran !

Ici, nous vous montrons le même dessin avec les formes tracées une par une.

Il est beaucoup plus facile et clair de finir le dessin.

Un autre conseil est de créez les formes avec des couleurs différentes, comme nous l'avons fait dans l'exemple précédent.

Cela vous permettra de trier ou de cacher la géométrie par couleur et cela facilitera la sélection d'usinage.

Another solution is to design with different layers. For more details on layers, cliquez ici .

Utilisation générale des commandes

Les commandes sont disponibles dans la barre d'outils gauche des sous menus .

Ici nous allons vous montrer la commande cercle.

En cliquant sur la feature à dessiner, vous devez choisir parmi les nombreux modes de construction.

Vous devez ensuite affecter les points de création et cliquer sur le fond ou entrer les coordonnées pour confirmer (expliqué dans la page suivante) pour confirmer.

Vous pouvez ensuite définir les bons paramètres de features pour compléter le dessin et cliquer sur Valider.


Système de coordonnées


La commande esquisse n'existe plus dans la version 6.09. Vous pouvez utiliser le système de coordonnées pour créer les dessins :

Vous pouvez ensuite entrer manuellement les valeurs dans les X,Y valeurs. Il n'est pas nécessaire de cliquer sur le bouton Entrée de votre clavier. Vous pouvez facilement passer d'un champ à l'autre en utilisant le bouton TAB . Cliquez sur l'icône [1] to create the point(s).

By clicking icon [2] , you can set your coordinates and the grid step.

We can define the Z altitude [3] using the two methods:

1 - Type la valeur manuellement dans le champ.

2 - Utilisez la pipette [4] to pick the altitude.

Vous pouvez regarder une vidéo sur la conception en altitude Z sur la droite :

Creation of entities at different Z-20240814-104820.png

fermée : cela verrouille la valeur insérée dans le champ.

Ouverte : valeur du champ ou valeur du point existant sélectionné.

Sélectionnez l'altitude.

À vous de jouer !

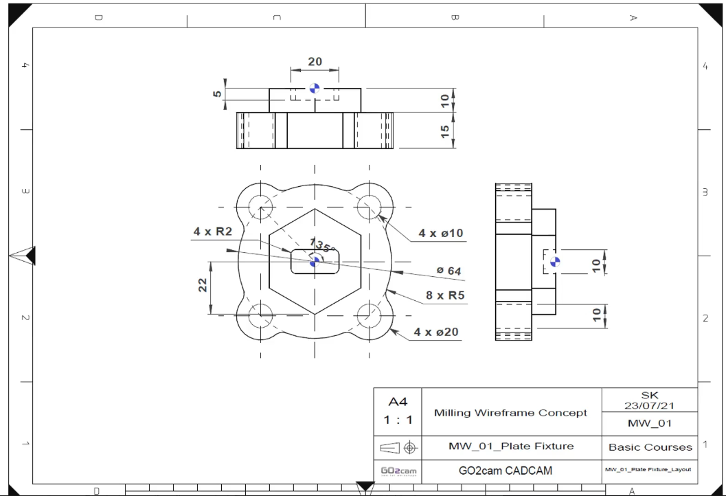
Ci dessous les schémas de mise en plan de 2 pièces que nous allons concevoir. Vous pouvez soit regarder les vidéos pour voir comment concevoir les pièces, soit essayer de la concevoir par vous même.

Plaque de bridage

Cette vidéo présente la création de :

cercle, droite, dessin, polygone, rectangle, congé.

Plate Fixture Wireframe.png

Châssis

Cette vidéo présente la création de :

rectangle, segment, congé, trous standards, limiter ou prolonger, profil parallèle, chanfrein.

Framework Wireframe.png